产品取得:技术监督、国家消防及国家消防电子产品质量监督检验部门的鉴定和认证。其多项产品获得了北京市和中国石化颁发的科技进步奖和优秀产品奖。
 
  ·返回首页·
您现在的位置:首页>>产品信息>>产品分类

  
产品搜索
KS-3(LED显示)

 


产品特点




◆具有隔爆最高的防爆等级
◆数码管显示,可提供准确示值
◆采用红外线遥控器调校,使用极为方便与可靠
◆越限报警时,可输出一组开关信号
◆现场闪光报警功能(可选配声报功能)


主要技术性能

检测对象:一般可燃性气体(包括氢气)或液体蒸气
检测范围:(0-100)%LEL(LEL为可燃气爆炸下限)
取样方式:自然扩散
显示方式:LED数码管显示
检测精度:≤±3%LEL
响应时间:≤30秒
报警点:出厂设定为25%LEL(20-50%LEL连续可调)。
输出信号: 4-20mA标准电流信号;
            当出现越限报警时,输出开关一闭合信号(触点容
            量0.5A,30VDC)、光报警、声音报警(蜂鸣器为本
            安型设计,用户可选配)  
电源:DC24V(l5V-30V之间都能正常工作)
功耗:≤3W
工作环境:温度(-40~+70)℃, 湿度≤85%RH
传感器寿命:传感器连续工作,正常情况下,寿命期限保证3年
信号传输距离:1500m
防爆标志:Ex dⅡCT6(无声报型),Ex d(ib)ibⅡCT6(声报型)

防护等级:IP65
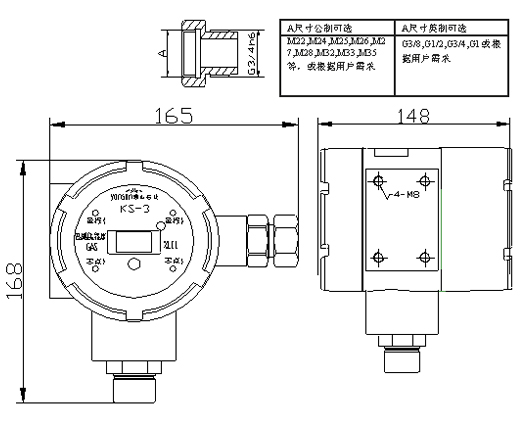
接口尺寸:G3/4(非标准接口见下页)    
外形尺寸:168 mm×188 mm×148mm
重量:约2.6kg

结构尺寸图


安装示意图

接线示意图

 定购产品表单提交(注:带*号为必填项)
  *姓名或单位 *联系方式 (电话)
 产品名称   产品型号
 购置数量   交货日期 (如:06/12/11)
 *技术性能要求及其它:
 
copyright©2006 北京燕山石化安全技术装备有限公司  北京燕山时代仪表有限公司
地址:北京市房山区燕东路2号(邮编:102500)
(售后服务)(010)69341543
copyright@北京燕山石化安全技术装备有限公司版权所有 备案号:京ICP备20024335号-1

e-mail:aj@anjiyb.com 网址:www.anjiyb.com