产品取得:技术监督、国家消防及国家消防电子产品质量监督检验部门的鉴定和认证。其多项产品获得了北京市和中国石化颁发的科技进步奖和优秀产品奖。
 
  ·返回首页·
您现在的位置:首页>>产品信息>>产品分类

  
产品搜索
KS-3(智能型)
产品特点



低功耗传感器
自动监测传感器所处的状态
现场闪光报警功能
  (可选配现场声报功能)
红外参数设置方式
采用字符型液晶显示屏
数字式调校方式
数字式非线性修正方式
自动调零功能

主要技术性能

检检测对象:一般可燃性气体或液体蒸气
检测范围:(0~100)%LEL(LEL为可燃性气体爆炸下限)
取样方式:自然扩散
显示方式:采用字符型LCD液晶显示,在测量状态显示当前测量值、物理量单位符号及探测器当前所处状态(正常、报警、故障)
检测精度:±3%LEL
响应时间:≤30秒
报警设定值:出厂设定为25%LEL(可根据用户要求设定)
输出信号:4~20mA标准电流信号
报警功能:当发生越限报警时,可以现场闪光报警指示
          (声音报警为用户选配)
电源:DC24V(15V-30V之间都能正常工作)
工作环境:温度(-30~+60)℃(特殊温度要求,可定制),
            湿度 <85%R.H
传感器寿命:传感器连续工作,正常情况下,寿命期限大于3年
信号传输距离:1000m
防爆标志:Ex dⅡCT6(无声报型),Ex d(ib)ibⅡCT6(声报型)
防护等级:IP65
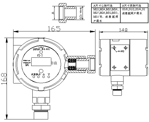
接口尺寸:G3/4(非标准接口见下页)    
外形尺寸:170 mm×170 mm×170mm
重量:约2.6kg

结构尺寸图

安装示意图

接线示意图

 定购产品表单提交(注:带*号为必填项)
  *姓名或单位 *联系方式 (电话)
 产品名称   产品型号
 购置数量   交货日期 (如:06/12/11)
 *技术性能要求及其它:
 
copyright©2006 北京燕山石化安全技术装备有限公司  北京燕山时代仪表有限公司
地址:北京市房山区燕东路2号(邮编:102500)
(售后服务)(010)69341543
copyright@北京燕山石化安全技术装备有限公司版权所有 备案号:京ICP备20024335号-1

e-mail:aj@anjiyb.com 网址:www.anjiyb.com